| 產品特點 | 單相PCB固態繼電器采用直插式電路板焊接式安裝,標準化模數尺寸,輸入-輸出光電隔離,交流輸出采用雙向可控硅,零電壓開啟零電壓關斷;直流輸出采用雙極型三極管,導通壓降低,開關速度快,抗干擾性強。 輸入信號與TTO和COMS數字邏輯電路兼容;采用阻燃工程塑料外殼環氧樹脂灌封,與電磁繼電器比較,具有無機械聲、無觸點引弧、有較高的浪涌承受能力,壽命長、可靠性高。 100%負載電流老化試驗,通過歐共體CE認證,國際ISO9000認證。 廣泛應用于石油化工儀器設備、食品機械、包裝機械、紡織機械、數控機床塑料機械、健身器材、娛樂設施等自動化控制領域。可控制小型電動機、白熾燈、指示燈、小功率電源智能儀器儀表和電磁閥等,也可作為大功率電磁接觸器的推動極。 特別適用于腐蝕、潮濕、防塵,要求防爆等惡劣環境,及頻繁開關的場合。 | ||
| 規格分類 | JGX-1FA(DC-AC) | JGX-1FA/A(AC-AC) | JGX-1FD(DC-DC) |
| 負載電流 | 1A | ||
| 負載電壓 | 240VAC/380VAC | 240VAC/380VAC | 5-60VDC/5-110VDC/5-220VDC |
| 控制信號 | 3-32VDC | 12-24VAC/DC或80-250VAC | 3-32VDC |
| 控制電流 | 6-35mA需限流 | 12mA/AC | 6-35mA需限流 |
| 介質耐壓 | 輸入-輸出,輸入、輸出-外殼:≥1500V | ||
| 通態降壓 | ≤1.1VAC | ≤1.1VAC | ≤1.3VDC |
| 斷態漏電流 | ≤1mA | ≤1mA | ≤0.05mA |
| 電壓上升率 | 300v/us | 300v/us | / |
| 通斷時間 | 10ms | 10ms | 關斷時間≤0.1ms |
| 頻率范圍 | 47/63Hz | 47/63Hz | / |
| 工作環境溫度 | -40℃--80℃ | -40℃--80℃ | -40℃--80℃ |
| 重量 | 14g | ||
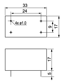
| 外形尺寸(mm) | ![]() 33×17×17mm | ||
| 接線圖 | | ||
| 代號 | J1 | ||
JGX-1F□電路板式固態繼電器
產品特點 單相PCB固態繼電器采用直插式電路板焊接式安裝,標準化模數尺寸,輸入-輸出光電隔離,交流輸出采用雙向可控硅,零電壓開啟零電壓關斷;直流輸出采用雙極型三極管,導通壓降低,開關速度快,抗干擾性強。輸入信號與TTO和COMS
聯系我們
熱線電話 400-888-9277
產品詳情









